Product Summary
The 74HC4094D is a high-speed Si-gate CMOS device and is pin compatible with the "4094" of the "4000B" series. It is specified in compliance with JEDEC standard no. 7A. The applications of 74HC4094D include Serial-to-parallel data conversion, Remote control holding register.
Parametrics
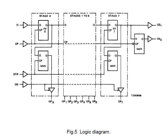
74HC4094D absolute maximum ratings: (1)propagation delay CL = 15 pF; VCC = 5 V: 15 ns at CP to QS1, 13 ns at CP to QS2, 20 ns at CP to QPn, 18 ns at STR to QPn; (2)maximum clock frequency: 95 MHz; (3)input capacitance: 3.5 pF; (4)power dissipation capacitance per package: 83 pF.
Features
74HC4094D features: (1)Output capability: standard; (2)ICC category: MSI.
Diagrams

| Image | Part No | Mfg | Description | ![]() |
Pricing (USD) |
Quantity | ||||||||||||
|---|---|---|---|---|---|---|---|---|---|---|---|---|---|---|---|---|---|---|
![]() |
![]() 74HC4094D,652 |
![]() NXP Semiconductors |
![]() Counter Shift Registers 8-STAGE BUS REGISTER |
![]() Data Sheet |
![]()
|
|
||||||||||||
![]() |
![]() 74HC4094D,653 |
![]() NXP Semiconductors |
![]() Counter Shift Registers 8-STAGE SHIFT AND STORE BUS REG |
![]() Data Sheet |
![]()
|
|
||||||||||||
![]() |
![]() 74HC4094DB,118 |
![]() NXP Semiconductors |
![]() Counter Shift Registers 8-STAGE SHIFT AND |
![]() Data Sheet |
![]()
|
|
||||||||||||
![]() |
![]() 74HC4094DB,112 |
![]() NXP Semiconductors |
![]() Counter Shift Registers 8-STAGE SHIFT AND |
![]() Data Sheet |
![]()
|
|
||||||||||||
![]() |
![]() 74HC4094DB-T |
![]() NXP Semiconductors |
![]() Counter Shift Registers 8-STAGE SHIFT AND STORE BUS REG |
![]() Data Sheet |
![]() Negotiable |
|
||||||||||||
![]() |
![]() 74HC4094DB |
![]() NXP Semiconductors |
![]() Counter Shift Registers 8-STAGE SHIFT AND STORE BUS REG |
![]() Data Sheet |
![]() Negotiable |
|
||||||||||||
(China (Mainland))









