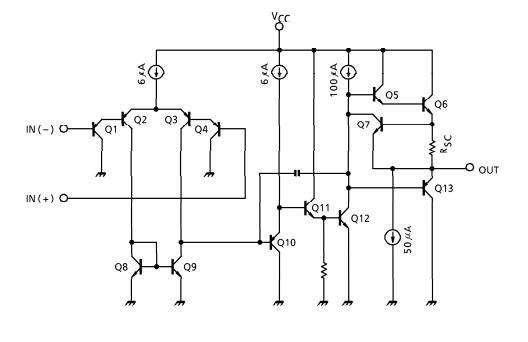
Product Summary
The TA75902FG is a quad operational amplifier.
Parametrics
TA75902FG absolute maximum ratings: (1)supply voltage: ±18V or 36V; (2)differential input voltage:±36V; (3)input voltage:-0.3V to 36V; (4)power dissipation:280mW; (5)operating temperature:-40℃ to 85℃; (6)storage temperature:-55℃ to 125℃.
Features
TA75902FG features: (1)in the linear mode the input common mode voltage range includes ground; (2)four internally compensated OP amps are in single package; (3)low power dissipation and power drain suitable for battery operation; (4)differential input voltage range equal to the power supply voltage; (5)large output voltage swing:0V to VCC-1.5V; (6)wide power supply voltage range and signal power supply: single supply:3V to 36V, dual supplies:±1.5V to 18V; (7)low input biasing current:Il=45nA(typ.).
Diagrams

![]()  | 
                            ![]() TA7504P  | 
                            ![]() Other  | 
                            ![]()  | 
                            ![]() Data Sheet  | 
                            ![]() Negotiable  | 
                            
                            	 | 
                      ||||
![]()  | 
                            ![]() TA75060P  | 
                            ![]() Other  | 
                            ![]()  | 
                            ![]() Data Sheet  | 
                            ![]() Negotiable  | 
                            
                            	 | 
                      ||||
![]()  | 
                            ![]() TA75061P  | 
                            ![]() Other  | 
                            ![]()  | 
                            ![]() Data Sheet  | 
                            ![]() Negotiable  | 
                            
                            	 | 
                      ||||
![]()  | 
                            ![]() TA75062P  | 
                            ![]() Other  | 
                            ![]()  | 
                            ![]() Data Sheet  | 
                            ![]() Negotiable  | 
                            
                            	 | 
                      ||||
![]()  | 
                            ![]() TA75064P  | 
                            ![]() Other  | 
                            ![]()  | 
                            ![]() Data Sheet  | 
                            ![]() Negotiable  | 
                            
                            	 | 
                      ||||
![]()  | 
                            ![]() TA75070P  | 
                            ![]() Other  | 
                            ![]()  | 
                            ![]() Data Sheet  | 
                            ![]() Negotiable  | 
                            
                            	 | 
                      ||||
 (China (Mainland)) 
                         
                        
                                    






