Product Summary
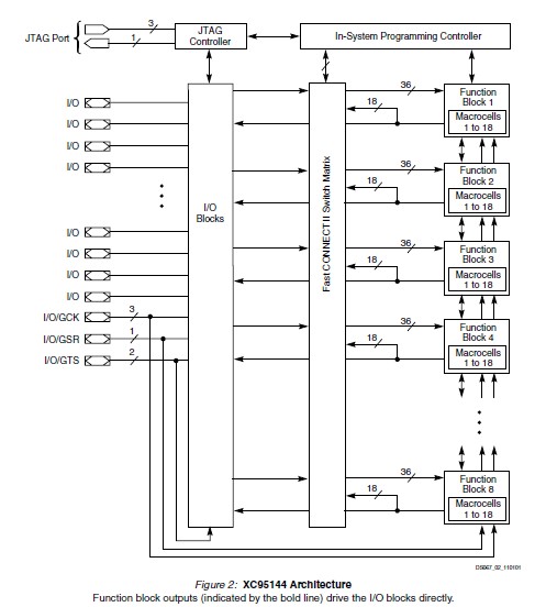
The XC95144-10TQG100C is a high-performance CPLD providing advanced in-system programming and test capabilities for general purpose logic integration. It is comprised of eight 36V18 Function Blocks, providing 3,200 usable gates with propagation delays of 7.5 ns.
Parametrics
XC95144-10TQG100C absolute maximum ratings: (1)Supply voltage relative to GND: –0.5 to 7.0 V; (2)Input voltage relative to GND: –0.5 to VCC + 0.5 V; (3)Voltage applied to 3-state output: –0.5 to VCC + 0.5 V; (4)Storage temperature (ambient): –65 to +150℃; (5)Junction temperature: +150℃.
Features
XC95144-10TQG100C features: (1)7.5 ns pin-to-pin logic delays on all pins; (2)fCNT to 111 MHz; (3)144 macrocells with 3,200 usable gates; (4)Up to 133 user I/O pins; (5)5V in-system programmable; (6)Enhanced pin-locking architecture; (7)Flexible 36V18 Function Block; (8)Extensive IEEE Std 1149.1 boundary-scan (JTAG) support; (9)Programmable power reduction mode in each macrocell; (10)Slew rate control on individual outputs; (11)User programmable ground pin capability; (12)Extended pattern security features for design protection; (13)High-drive 24 mA outputs; (14)3.3V or 5V I/O capability; (15)Advanced CMOS 5V FastFLASH technology; (16)Supports parallel programming of more than one XC9500 concurrently; (17)Available in 100-pin PQFP, 100-pin TQFP, and 160-pin PQFP packages.
Diagrams

![]() |
![]() XC9500 |
![]() Other |
![]() |
![]() Data Sheet |
![]() Negotiable |
|
||||||||||||||||
![]() |
![]() XC9500XV |
![]() Other |
![]() |
![]() Data Sheet |
![]() Negotiable |
|
||||||||||||||||
![]() |
![]() XC9501 |
![]() Other |
![]() |
![]() Data Sheet |
![]() Negotiable |
|
||||||||||||||||
![]() |
![]() XC9502 |
![]() Other |
![]() |
![]() Data Sheet |
![]() Negotiable |
|
||||||||||||||||
![]() |
![]() XC9503 |
![]() Other |
![]() |
![]() Data Sheet |
![]() Negotiable |
|
||||||||||||||||
![]() |
![]() XC9503B093AR-G |
![]() |
![]() IC REG BUCK ADJ 1A DL 10MSOP |
![]() Data Sheet |
![]()
|
|
||||||||||||||||
(China (Mainland))









