Product Summary
The EDS2516AFTA-75-E is a 256M bits (16M words × 16 bits) SDRAM.
Parametrics
EDS2516AFTA-75-E absolute maximum ratings: (1)Voltage on any pin relative to VSS, VT: –0.5 to VDD+0.5V; (2)Supply voltage relative to VSS, VDD: –0.5 to +4.6 V; (3)Short circuit output current, IOS: 50mA; (4)Power dissipation, PD: 1.0W; (5)Operating ambient temperature, TA: 0 to +70℃; (6)Storage temperature, Tstg: –55 to +125℃.
Features
EDS2516AFTA-75-E features: (1)Single pulsed /RAS; (2)Burst read/write operation and burst read/single write operation capability; (3)Byte control by UDQM and LDQM.
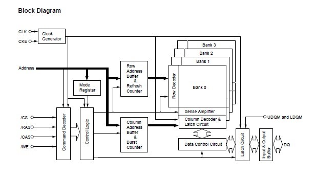
Diagrams

![]() |
![]() EDS2504ACTA |
![]() Other |
![]() |
![]() Data Sheet |
![]() Negotiable |
|
||||
![]() |
![]() EDS2504APTA |
![]() Other |
![]() |
![]() Data Sheet |
![]() Negotiable |
|
||||
![]() |
![]() EDS2504APTA-TI |
![]() Other |
![]() |
![]() Data Sheet |
![]() Negotiable |
|
||||
![]() |
![]() EDS2508APTA |
![]() Other |
![]() |
![]() Data Sheet |
![]() Negotiable |
|
||||
![]() |
![]() EDS2508APTA-TI |
![]() Other |
![]() |
![]() Data Sheet |
![]() Negotiable |
|
||||
![]() |
![]() EDS2516ACTA |
![]() Other |
![]() |
![]() Data Sheet |
![]() Negotiable |
|
||||
(China (Mainland))








