Product Summary
The XC5215-4HQG208C is a Field-Programmable Gate Array. It is engineered to deliver low cost. Building on experiences gained with three previous successful SRAM FPGA families, the XC5215-4HQG208C brings a robust feature set to programmable logic design. The XC5215-4HQG208C is fully supported on popular workstation and PC platforms. Popular design entry methods are fully supported, including ABEL, schematic capture, VHDL, and Verilog HDL synthesis.
Parametrics
XC5215-4HQG208C absolute maximum ratings: (1)Supply voltage relative to GND:-0.5 to +7.0V; (2)Input voltage with respect to GND:-0.5 to VCC +0.5V; (3)Voltage applied to 3-state output:-0.5 to VCC +0.5V; (4)Storage temperature (ambient):-65℃ to +150℃; (5)Maximum soldering temperature:+260℃; (6)Junction temperature in plastic packages:+125℃; (7)Junction temperature in ceramic packages:+150℃.
Features
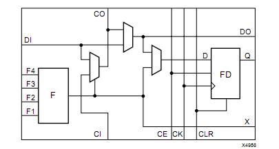
XC5215-4HQG208C features: (1)System performance beyond 50 MHz; (2)6 levels of interconnect hierarchy; (3)VersaRing I/O Interface for pin-locking; (4)Dedicated carry logic for high-speed arithmetic functions; (5)Cascade chain for wide input functions; (6)Built-in IEEE 1149.1 JTAG boundary scan test circuitry on all I/O pins; (7)Internal 3-state bussing capability; (8)Four dedicated low-skew clock or signal distribution nets; (9)Innovative VersaRing? I/O interface provides a high logic cell to I/O ratio, with up to 244 I/O signals; (10)Programmable output slew-rate control maximizes performance and reduces noise; (11)Zero Flip-Flop hold time for input registers simplifies system timing; (12)Independent Output Enables for external bussing; (13)Automatic place and route software; (14)Wide selection of PC and Workstation platforms; (15)Over 100 3rd-party Alliance interfaces; (16)Supported by shrink-wrap Foundation software.
Diagrams

![]() |
![]() XC5200 |
![]() Other |
![]() |
![]() Data Sheet |
![]() Negotiable |
|
||||
![]() |
![]() XC5200 Series |
![]() Other |
![]() |
![]() Data Sheet |
![]() Negotiable |
|
||||
![]() |
![]() XC5202-5PQ100C |
![]() |
![]() IC - FPGA SPEED GRADE 5 COM TEMP |
![]() Data Sheet |
![]() Negotiable |
|
||||
![]() |
![]() XC5202-6PC84C |
![]() |
![]() IC FPGA 64 CLB'S 84-PLCC |
![]() Data Sheet |
![]() Negotiable |
|
||||
![]() |
![]() XC5202-6PQ100C |
![]() |
![]() IC FPGA 64 CLB'S 100-PQFP |
![]() Data Sheet |
![]() Negotiable |
|
||||
![]() |
![]() XC5204-5PC84C |
![]() |
![]() IC FPGA 120 CLB'S 84-PLCC |
![]() Data Sheet |
![]() Negotiable |
|
||||
(China (Mainland))








